A leading UK supplier of Cable Handling, Height Safety, Hoisting, Materials Handling, Mechanical Handling, Pulling, Securing & Winching Equipment - Established in 2014 with over 30,000 customers served
Green Pin Grade 8 Heavy Duty Bow Shackle with Safety Nut & Bolt Pin
Green Pin SKU: 269-20-1

Need More?
Require more stock than shown as available, please send us your requirements via email sales@rigginguk.co.uk
Need Help?
If you're unable to locate the specific item you're searching for, please send us your requirements via email sales@rigginguk.co.uk
Description
Description
Green Pin Grade 8 Heavy Duty Bow Shackle with Safety Nut & Bolt Pin
- Grade 8 alloy steel, quenched and tempered.
- 120t hot dipped galvanised finish.
- 150t and above are silver painted body and green painted pin.
- Conforms to ASME B30.26.
- Minimum breaking load is 5 times the W.L.L.
- Temperature range up to 300t: -20ºC up to +200ºC, above 300t: 0ºC up to +200ºC.
- Marked with CE, W.L.L, material grade, manufacturers ID, size and traceability code.
- Full CAD support available upon request.
- Certification available 2.1 3.1 DoC LROS* DNV GL 2.7-1 MPI US
Models 269-20-11 (GPHDB4000) and above - PRICE ON APPLICATION
PLEASE NOTE DELIVERY LEADTIME WILL BE CONFIRMED ON ORDER, PLEASE WORK ON 4 to 6 WEEKS FROM ORDER
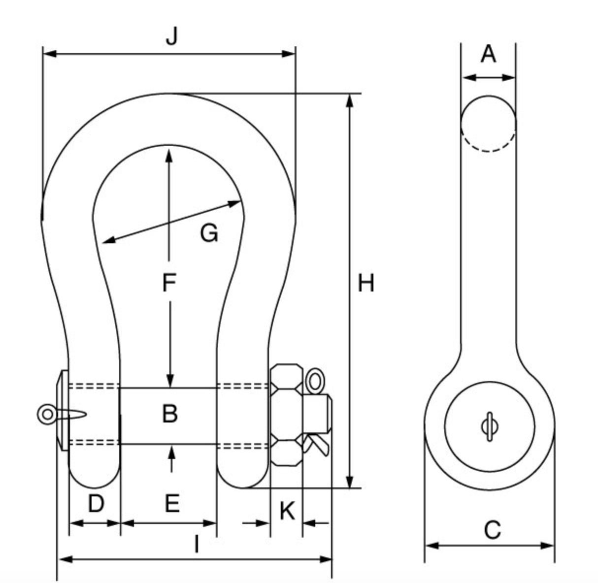
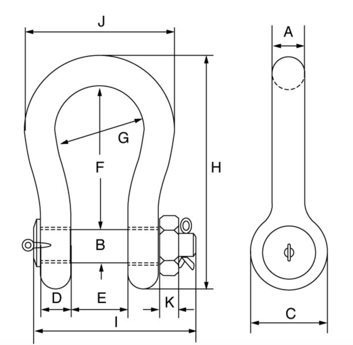
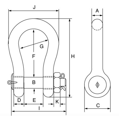
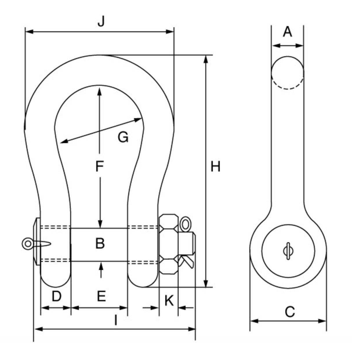
Specification
| SKU | W.L.L | A | B | C | D | E | F | G | H | I | J | K | Weight | Technical |
|---|---|---|---|---|---|---|---|---|---|---|---|---|---|---|
| t | mm | mm | mm | mm | mm | mm | mm | mm | mm | mm | mm | kgs / each | Specifications | |
| 269-20-1 | 120 | 95 | 95 | 208 | 95 | 147 | 400 | 238 | 647 | 453 | 416 | 50 | 110 | Download |
| 269-20-3 | 150 | 105 | 108 | 238 | 105 | 169 | 410 | 275 | 688 | 496 | 485 | 50 | 160 | Download |
| 269-20-5 | 200 | 120 | 130 | 279 | 120 | 179 | 513 | 290 | 838 | 564 | 530 | 70 | 235 | Download |
| 269-20-7 | 250 | 130 | 140 | 299 | 130 | 205 | 554 | 305 | 904 | 614 | 565 | 70 | 285 | Download |
| 269-20-9 | 300 | 140 | 150 | 325 | 140 | 205 | 618 | 305 | 996 | 644 | 585 | 80 | 340 | Download |
| 260-20-11 | 400 | 170 | 175 | 376 | 164 | 231 | 668 | 325 | 1114 | 690 | 665 | 70 | 560 | Download |
| 269-20-12 | 500 | 180 | 185 | 398 | 164 | 256 | 718 | 350 | 1190 | 720 | 710 | 70 | 685 | Download |
| 269-20-13 | 600 | 200 | 205 | 444 | 189 | 282 | 718 | 375 | 1243 | 810 | 775 | 70 | 880 | Download |
| 269-20-14 | 700 | 210 | 215 | 454 | 204 | 308 | 718 | 400 | 1263 | 870 | 820 | 70 | 980 | Download |
| 269-20-15 | 800 | 210 | 220 | 464 | 204 | 308 | 718 | 400 | 1270 | 870 | 820 | 70 | 1,100 | Download |
| 269-20-16 | 900 | 220 | 230 | 485 | 215 | 328 | 718 | 420 | 1296 | 920 | 860 | 70 | 1,280 | Download |
| 269-20-17 | 1,000 | 240 | 240 | 515 | 215 | 349 | 718 | 420 | 1336 | 940 | 900 | 70 | 1,460 | Download |
| 269-20-18 | 1,250 | 260 | 270 | 585 | 230 | 369 | 768 | 450 | 1456 | 1025 | 970 | 70 | 1,990 | Download |
| 269-20-19 | 1,500 | 280 | 290 | 625 | 230 | 369 | 818 | 450 | 1556 | 1025 | 1010 | 70 | 2,400 | Download |
Downloads
Product data sheet
Product Questions & Answers
Product Questions & Answers
QUESTIONS & ANSWERS
Have a Question?
Be the first to ask a question about this.